Jimmy Chan 56d2198b3d rename I2C_MASTER_RIGHT to MASTER_RIGHT since this works for serial as well 9 سال پیش
..
imgs 281aa1dad0 added case stl from se7en9057 9 سال پیش
keymaps 56d2198b3d rename I2C_MASTER_RIGHT to MASTER_RIGHT since this works for serial as well 9 سال پیش
rev1 372af5e3f6 More code cleanup 9 سال پیش
rev2 2a2be010d9 Reverse rev2 and rev2fliphalf 9 سال پیش
rev2fliphalf 2a2be010d9 Reverse rev2 and rev2fliphalf 9 سال پیش
Makefile 9c02e2ab49 correctly put eeprom EE_HANDS at addr 0x0a (decimal 10). default to rev2 project. do not default EE_HANDS for the serial keymap 9 سال پیش
config.h ef9e544a7e Let's Split: establish rev2fliphalf subproject 9 سال پیش
eeprom-lefthand.eep 9c02e2ab49 correctly put eeprom EE_HANDS at addr 0x0a (decimal 10). default to rev2 project. do not default EE_HANDS for the serial keymap 9 سال پیش
eeprom-righthand.eep 9c02e2ab49 correctly put eeprom EE_HANDS at addr 0x0a (decimal 10). default to rev2 project. do not default EE_HANDS for the serial keymap 9 سال پیش
i2c.c 6631abc1cb Made Serial and I2C not include the Other 9 سال پیش
i2c.h d707738616 i2c working 9 سال پیش
lets_split.c 21b6b4e6c4 should have fixed conflixed 9 سال پیش
lets_split.h ef9e544a7e Let's Split: establish rev2fliphalf subproject 9 سال پیش
matrix.c 6631abc1cb Made Serial and I2C not include the Other 9 سال پیش
pro_micro.h 34eeea787c Fixed naming of Analog pins to differentiate them from DIO pins used by Quantum Matrix 9 سال پیش
readme.md 56d2198b3d rename I2C_MASTER_RIGHT to MASTER_RIGHT since this works for serial as well 9 سال پیش
rules.mk 3dbdd15304 Check for a new serial port every second 9 سال پیش
serial.c 6631abc1cb Made Serial and I2C not include the Other 9 سال پیش
serial.h ce01f88c43 images, docks, clean-up [skip ci] 9 سال پیش
split_util.c 56d2198b3d rename I2C_MASTER_RIGHT to MASTER_RIGHT since this works for serial as well 9 سال پیش
split_util.h ce01f88c43 images, docks, clean-up [skip ci] 9 سال پیش

readme.md

Let's Split

This readme and most of the code are from https://github.com/ahtn/tmk_keyboard/

Split keyboard firmware for Arduino Pro Micro or other ATmega32u4 based boards.

First Time Setup

Download or clone the whole firmware and navigate to the keyboards/lets_split directory. Once your dev env is setup, you'll be able to generate the default .hex using:

$ make rev2

You will see a lot of output and if everything worked correctly you will see the built hex files:

lets_split_rev2_serial.hex
lets_split_rev2_i2c.hex

If you would like to use one of the alternative keymaps, or create your own, copy one of the existing keymaps and run make like so:

$ make rev2-YOUR_KEYMAP_NAME

If everything worked correctly you will see a file:

lets_split_rev2_YOUR_KEYMAP_NAME.hex

For more information on customizing keymaps, take a look at the primary documentation for Customizing Your Keymap in the main readme.md.

Let's split 1.0

If you have a first generation Let's Split you will need to use the revision 1 code. To do so, use rev1 in all your commands instead.

Features

For the full Quantum Mechanical Keyboard feature list, see the parent readme.md.

Some features supported by the firmware:

  • Either half can connect to the computer via USB, or both halves can be used independently.
  • You only need 3 wires to connect the two halves. Two for VCC and GND and one for serial communication.
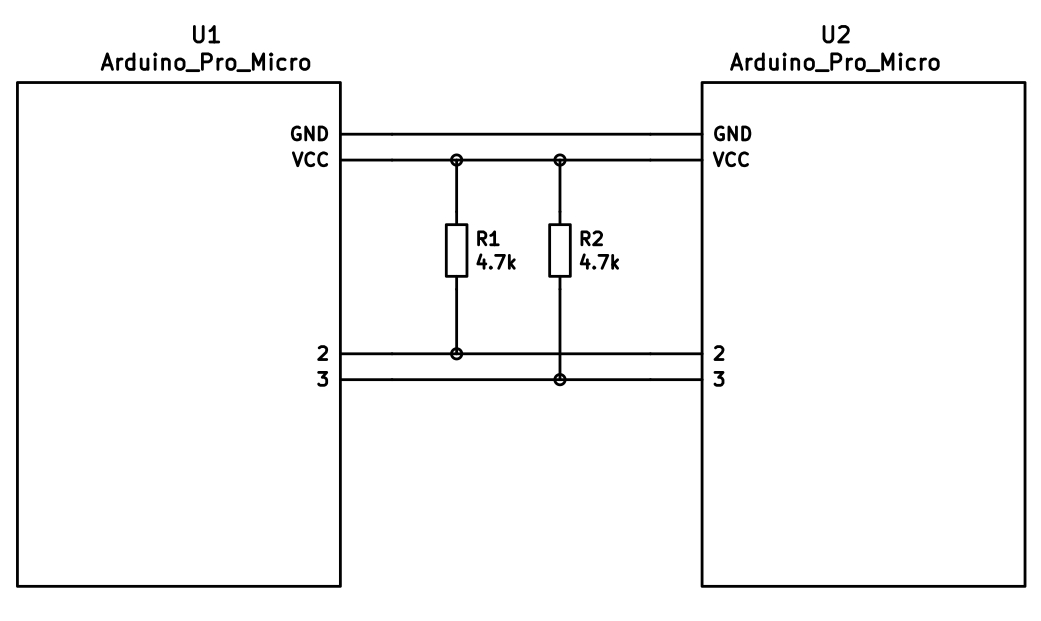
  • Optional support for I2C connection between the two halves if for some reason you require a faster connection between the two halves. Note this requires an extra wire between halves and pull-up resistors on the data lines.

Required Hardware

Apart from diodes and key switches for the keyboard matrix in each half, you will need:

  • 2 Arduino Pro Micro's. You can find theses on aliexpress for ≈3.50USD each.
  • 2 TRS sockets
  • 1 TRS cable.

Alternatively, you can use any sort of cable and socket that has at least 3 wires. If you want to use I2C to communicate between halves, you will need a cable with at least 4 wires and 2x 4.7kΩ pull-up resistors

Optional Hardware

A speaker can be hooked-up to either side to the 5 (C6) pin and GND, and turned on via AUDIO_ENABLE.

Wiring

The 3 wires of the TRS cable need to connect GND, VCC, and digital pin 3 (i.e. PD0 on the ATmega32u4) between the two Pro Micros.

Then wire your key matrix to any of the remaining 17 IO pins of the pro micro and modify the matrix.c accordingly.

The wiring for serial:

serial wiring

The wiring for i2c:

i2c wiring

The pull-up resistors may be placed on either half. It is also possible to use 4 resistors and have the pull-ups in both halves, but this is unnecessary in simple use cases.

Notes on Software Configuration

Configuring the firmware is similar to any other QMK project. One thing to note is that MATIX_ROWS in config.h is the total number of rows between the two halves, i.e. if your split keyboard has 4 rows in each half, then MATRIX_ROWS=8.

Also the current implementation assumes a maximum of 8 columns, but it would not be very difficult to adapt it to support more if required.

Flashing

From the keymap directory run make SUBPROJECT-KEYMAP-avrdude for automatic serial port resolution and flashing. Example: make rev2-serial-avrdude

Choosing which board to plug the USB cable into (choosing Master)

Because the two boards are identical, the firmware has logic to differentiate the left and right board.

It uses two strategies to figure things out: look at the EEPROM (memory on the chip) or looks if the current board has the usb cable.

The EEPROM approach requires additional setup (flashing the eeeprom) but allows you to swap the usb cable to either side.

The USB cable approach is easier to setup and if you just want the usb cable on the left board, you do not need to do anything extra.

Setting the left hand as master

If you always plug the usb cable into the left board, nothing extra is needed as this is the default. Comment out EE_HANDS and comment out I2C_MASTER_RIGHT or MASTER_RIGHT if for some reason it was set.

Setting the right hand as master

If you always plug the usb cable into the right board, add an extra flag to your config.h

 #define MASTER_RIGHT

Setting EE_hands to use either hands as master

If you define EE_HANDS in your config.h, you will need to set the EEPROM for the left and right halves.

The EEPROM is used to store whether the half is left handed or right handed. This makes it so that the same firmware file will run on both hands instead of having to flash left and right handed versions of the firmware to each half. To flash the EEPROM file for the left half run:

avrdude -p atmega32u4 -P $(COM_PORT) -c avr109 -U eeprom:w:eeprom-lefthand.eep
// or the equivalent in dfu-programmer

and similarly for right half

avrdude -p atmega32u4 -P $(COM_PORT) -c avr109 -U eeprom:w:eeprom-righhand.eep
// or the equivalent in dfu-programmer

NOTE: replace $(COM_PORT) with the port of your device (e.g. /dev/ttyACM0)

After you have flashed the EEPROM, you then need to set EE_HANDS in your config.h, rebuild the hex files and reflash.

Note that you need to program both halves, but you have the option of using different keymaps for each half. You could program the left half with a QWERTY layout and the right half with a Colemak layout using bootmagic's default layout option. Then if you connect the left half to a computer by USB the keyboard will use QWERTY and Colemak when the right half is connected.

Notes on Using Pro Micro 3.3V

Do update the F_CPU parameter in rules.mk to 8000000 which reflects the frequency on the 3.3V board.

Also, if the slave board is producing weird characters in certain columns, update the following line in matrix.c to the following:

// _delay_us(30);  // without this wait read unstable value.
_delay_us(300);  // without this wait read unstable value.