2
0
climbalima 281aa1dad0 added case stl from se7en9057 9 лет назад
..
imgs 281aa1dad0 added case stl from se7en9057 9 лет назад
keymaps 27ebacb15d merging lets_split 9 лет назад
rev1 21b6b4e6c4 should have fixed conflixed 9 лет назад
rev2 21b6b4e6c4 should have fixed conflixed 9 лет назад
Makefile 44441de8ca Split keyboard makefiles into rules and Makefile 9 лет назад
config.h 27ebacb15d merging lets_split 9 лет назад
eeprom-lefthand.eep eb6e17be6f adds eep, removes usbconfig.h 9 лет назад
eeprom-righthand.eep eb6e17be6f adds eep, removes usbconfig.h 9 лет назад
i2c.c 6631abc1cb Made Serial and I2C not include the Other 9 лет назад
i2c.h d707738616 i2c working 9 лет назад
lets_split.c 21b6b4e6c4 should have fixed conflixed 9 лет назад
lets_split.h 1dd6ceb45d Updated my repo to current qmk 9 лет назад
matrix.c 6631abc1cb Made Serial and I2C not include the Other 9 лет назад
pro_micro.h 34eeea787c Fixed naming of Analog pins to differentiate them from DIO pins used by Quantum Matrix 9 лет назад
readme.md 7550abbb7f added notes on using Arduino Pro Micro 3.3V with Let’s Split 9 лет назад
rules.mk 1dd6ceb45d Updated my repo to current qmk 9 лет назад
serial.c 6631abc1cb Made Serial and I2C not include the Other 9 лет назад
serial.h ce01f88c43 images, docks, clean-up [skip ci] 9 лет назад
split_util.c 6631abc1cb Made Serial and I2C not include the Other 9 лет назад
split_util.h ce01f88c43 images, docks, clean-up [skip ci] 9 лет назад

readme.md

Let's Split

This readme and most of the code are from https://github.com/ahtn/tmk_keyboard/

Split keyboard firmware for Arduino Pro Micro or other ATmega32u4 based boards.

Features

Some features supported by the firmware:

  • Either half can connect to the computer via USB, or both halves can be used independently.
  • You only need 3 wires to connect the two halves. Two for VCC and GND and one for serial communication.
  • Optional support for I2C connection between the two halves if for some reason you require a faster connection between the two halves. Note this requires an extra wire between halves and pull-up resistors on the data lines.

Required Hardware

Apart from diodes and key switches for the keyboard matrix in each half, you will need:

  • 2 Arduino Pro Micro's. You can find theses on aliexpress for ≈3.50USD each.
  • 2 TRS sockets
  • 1 TRS cable.

Alternatively, you can use any sort of cable and socket that has at least 3 wires. If you want to use I2C to communicate between halves, you will need a cable with at least 4 wires and 2x 4.7kΩ pull-up resistors

Optional Hardware

A speaker can be hooked-up to either side to the 5 (C6) pin and GND, and turned on via AUDIO_ENABLE.

Wiring

The 3 wires of the TRS cable need to connect GND, VCC, and digital pin 3 (i.e. PD0 on the ATmega32u4) between the two Pro Micros.

Then wire your key matrix to any of the remaining 17 IO pins of the pro micro and modify the matrix.c accordingly.

The wiring for serial:

serial wiring

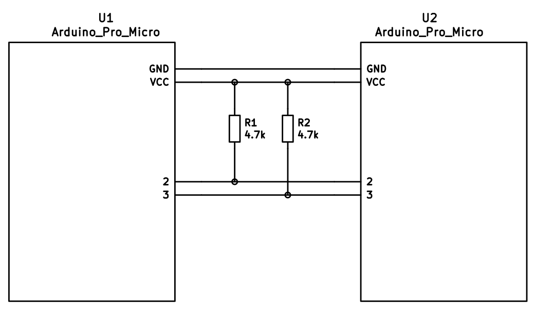
The wiring for i2c:

i2c wiring

The pull-up resistors may be placed on either half. It is also possible to use 4 resistors and have the pull-ups in both halves, but this is unnecessary in simple use cases.

Notes on Software Configuration

Configuring the firmware is similar to any other TMK project. One thing to note is that MATIX_ROWS in config.h is the total number of rows between the two halves, i.e. if your split keyboard has 4 rows in each half, then MATRIX_ROWS=8.

Also the current implementation assumes a maximum of 8 columns, but it would not be very difficult to adapt it to support more if required.

Flashing

If you define EE_HANDS in your config.h, you will need to set the EEPROM for the left and right halves. The EEPROM is used to store whether the half is left handed or right handed. This makes it so that the same firmware file will run on both hands instead of having to flash left and right handed versions of the firmware to each half. To flash the EEPROM file for the left half run:

make eeprom-left

and similarly for right half

make eeprom-right

After you have flashed the EEPROM for the first time, you then need to program the flash memory:

make program

Note that you need to program both halves, but you have the option of using different keymaps for each half. You could program the left half with a QWERTY layout and the right half with a Colemak layout. Then if you connect the left half to a computer by USB the keyboard will use QWERTY and Colemak when the right half is connected.

Notes on Using Pro Micro 3.3V

Do update the F_CPU parameter in rules.mk to 8000000 which reflects the frequency on the 3.3V board.

Also, if the slave board is producing weird characters in certain columns, update the following line in matrix.c to the following:

// _delay_us(30);  // without this wait read unstable value.
_delay_us(300);  // without this wait read unstable value.